PD74右手牙箱
PD740500 减速齿轮箱体积小,高效传动,动力足,适用于
机器人,洗地机,医疗设备,智能汽车和智能家居等。
所属分类:
关键词:
精密舵机
产品详情
产品型号:PD740500
产品参数:
空载电流:20-90mA@3.7V
启动电压:0.3-1.3V
空载转速:160rmp
扭⼒:0.55KG-cm@3.7V
噪音:≤47db
减速比:1/192
重量:3.9g
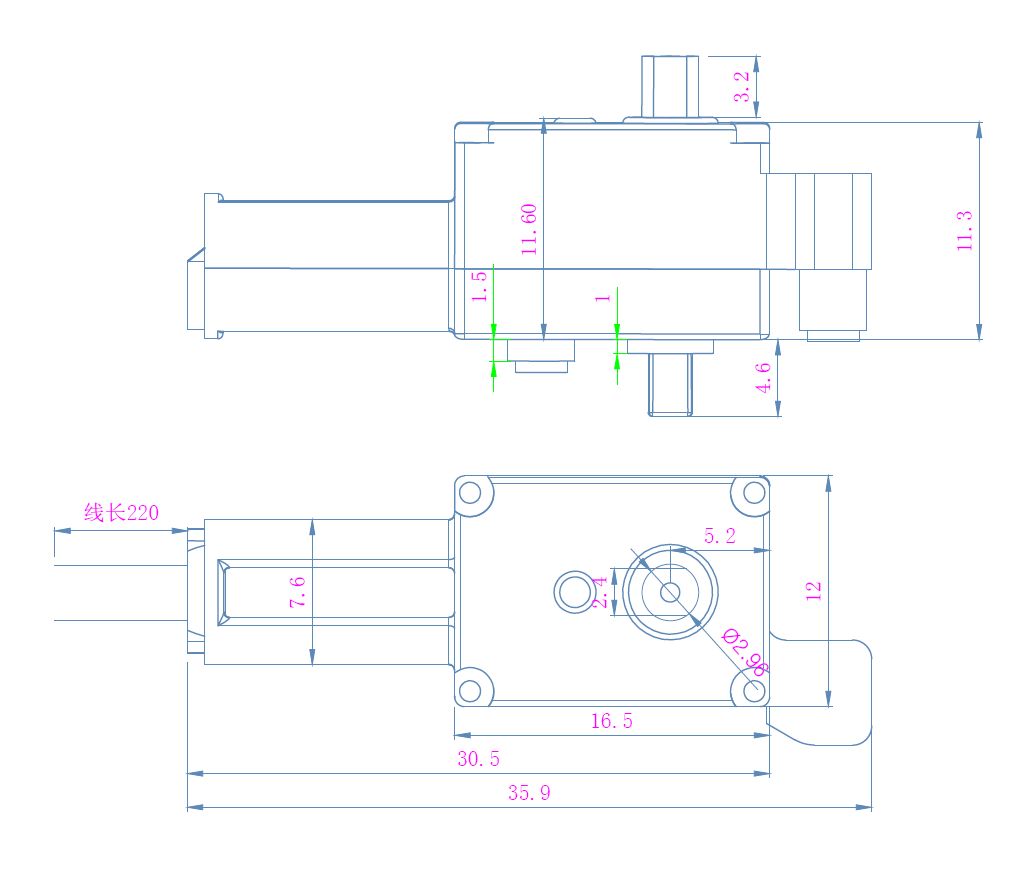
尺寸:35.9*12*11.3mm
产品尺寸:
欢迎留言咨询
我们的工作人员将在24小时内(工作日内)与您联系。如果您需要其他服务,请拨打我们的服务热线:0816-2716794